LED controllers Luksus 1-10 Volt LED dimmer - instelbaar 12v/24v -  4 in 1
1-10 Volt LED dimmer - instelbaar 12v/24v - 4 in 1
€40,08
LED controllers Luksus

1-10 Volt LED dimmer - instelbaar 12v/24v - 4 in 1

€40,08 Excl. btw
€48,50 Incl. btw

Ervaar naadloos dimmen met deze veelzijdige 1-10V LED dimmer. Perfect voor elke LED-verlichting, biedt deze dimmer meerdere dimmodi voor een optimale lichtbeleving.

Op voorraad (99)
1
Aantal
- +
Offerte
Productomschrijving

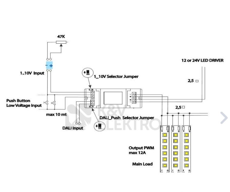
Bent u op zoek naar een 1-10 volt LED dimmer dan is deze dimbare LED dimmer precies wat u nodig heeft. Met deze 1-10 volt LED dimmer kunt u ieder type LED verlichting dimmen, let hierbij wel op dat de verlichting zelf ook dimbaar is. Deze LED dimmer werkt in combinatie met al onze LED strip of het nu om 12 of 24 volt LED strips gaat.

Download hier de handleiding.

Let erop dat uw zowel uw wanddimmer als de LED voeding bekabeld. De keuze in dim systemen zoals wanddimmers, opbouwdimmers, inbouwdimmers en  bijvoorbeeld draaidimmers is enorm. Gebruik dus uw bestaande systeem. Het grote voordeel van deze dimmer is dat er meerdere dimbare type kunnen worden gebruikt in combinatie. U kunt op deze dimmer de volgende dim systemen toepassen.

  • 0-10 Volt
  • 1-10 Volt
  • Dali
  • Push

Wat heeft u nodig om deze dimmer te gebruiken 1) Een LED voeding in 12 of 24 volt 2) Een LED lichtbron , dit kan een dimbare LED Lamp of LED strip zijn. 3) Een bedrade dimmer (bestaand of nieuw aan te schaffen) Technische specificaties van deze LED dimmer.

OUTPUT MODE CV
Output 288W
Voltage / werkspanning 12V, 24V
Beschermingsklasse IP20
Output voltage 12V, 24V
Werkt in combinatie met 0-10V, 1-10V, Dali, Push
   
Product informatie
Merk LED controllers Luksus
Artikelcode 9484
SKU 9484
EAN 6090318923928
Wat onze klanten zeggen

average of 0 review(s)

Geen reviews gevonden
Help ons en andere klanten door het schrijven van een review
Mijn account
You are not logged in. Log in to make use of all the benefits. Or create an account now.
Winkelwagen
Uw winkelwagen is leeg
Menu
Zoeken
Search suggestions
Geen producten gevonden...